一、主要用途:
干式多片電磁離合器、制動器,為磁通不過片式,動作靈敏可靠,摩擦片磨損后易調整,空載力矩小。主要用于搬運、軋鋼,半自動車床,數控機床,紡織等機械傳動系統中,實現離合、換向、變速、制動、定位等功能。
二、干式多片電磁離合(制動)器在下列條件下能可靠工作
1.離合器安裝地點海拔不超過2000m;
2.周圍環境溫度―5℃~+40℃;
3.周圍介質中無爆炸危險、且無足以腐蝕金屬和破壞絕緣的氣體及導電塵埃
4.離合器線圈電壓波動不超過+5%和-15%的額定電壓;
5.摩擦片應清潔無油污。
三、安裝
1.安裝前檢查摩擦片不應有油污及雜物。
2.安裝前應軸向固定,;如分軸安裝應保持同軸度為9級。
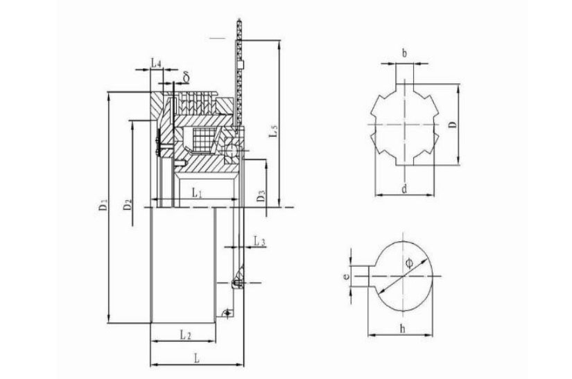
3.摩擦片磨損后,應調整氣隙&。
方法是:松開調整母上的螺釘,轉動調整母,在通電的狀態下,使&達到表中規定值,然后再擰緊螺釘。
主要性能參數:



外型與安裝尺寸:




