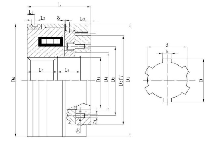
DLY1系列電磁離合器為牙嵌式有滑環電磁離合器主要用于機械傳動系統中,可在主、從動部分相對轉速較低或為零的情況下,實現從動部分與主動部分的結合,從而起到起停換向,定位等目的。廣泛用于金屬加工機械,冶金軋鋼機械,包裝機械,醫療機械,食品加工機械,紡織印染機械,造紙機械,精密機床等行業。
離合器在下列條件下能可靠的工作:
1.周圍空氣溫度為-5℃--+40℃。
2.在無爆炸危險的介質中,且介質中無足以腐蝕金屬和破壞絕緣的氣體及導電塵埃。
3.離合器需在有潤滑油的條件下工作。
4.離合器線圈的電壓波動不超過+5%和-15%的額定電壓。
5.離合器安裝地點的海拔不超過2000米。
主要性能參數
|
規格 |
額定傳遞力矩 |
額定電壓: |
線圈消耗功率 (20℃) |
允許最高結合轉速 |
允許最高轉速 |
|
16 |
160 |
24 |
22 |
25 |
3500 |
|
40 |
400 |
24 |
29 |
15 |
3000 |



